2.- HEXAEDRO
El hexaedro tiene seis caras cuadradas –paralelas dos a dos-, doce aristas y ocho vértices. Las tres aristas concurrentes en un vértice son perpendiculares.
2.1. Representación del Hexaedro
2.1.1. Hexaedro apoyado en una de sus caras
Si situamos una de las caras del hexaedro contenida en el plano horizontal, la cara opuesta se proyecta coincidente con ella y las cuatro restantes son proyectantes respecto al plano horizontal.
La proyección horizontal es un cuadrado de lado igual a la arista del cubo y queda dibujada en verdadera magnitud. Las caras horizontales se proyectan sobre el plano vertical en dos segmentos paralelos a la L.T. a una distancia igual a la arista.
En la figura siguiente se ha representado el hexaedro apoyado con una de sus caras en el plano horizontal de proyección. El hexaedro queda definido por la magnitud de la arista.

2.1.2. Hexaedro apoyado en una de sus caras en un Plano Proyectante
Para representar el hexaedro apoyado en un plano proyectante, se abate el plano y se dibuja la cara en verdadera magnitud –es un cuadrado y el lado será la arista-. Desabatiendo el cuadrado obtenemos las proyecciones diédricas de la cara apoyada.
La altura es una recta perpendicular al plano desde un vértice de la base. Como la proyección vertical de la recta frontal está en verdadera magnitud, trasladamos la altura del cubo directamente. (ver apartado 5, ejercicio 2, del Tema 15: Distancias). Para dibujar la cara superior del cubo, o techo, repetiremos esta misma operación en cada uno de los vértices restantes.
Datos: Un plano con una de las aristas de la base de hexaedro.

Paso 1

Paso 2

Paso 3

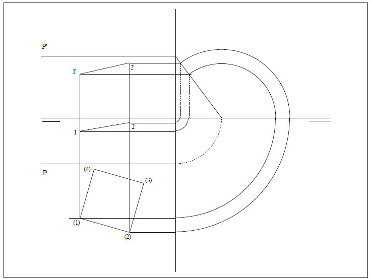
2.1.3. Hexaedro apoyado en una de sus caras en un Plano Oblicuo
Cuando la cara del hexaedro se apoya sobre un plano oblicuo a los dos planos de proyección, la altura es un segmento también oblicuo.
De no tener perfectamente definido la base del hexaedro deberemos abatir el plano para obtener los vértices de la base y la altura (longitud igual a la de la arista de la base). Para obtener las proyecciones del techo del cubo dibujaremos una recta perpendicular al plano desde una de las proyecciones de los vértices de la base del hexaedro. A continuación, abatiremos esta recta para trasladar la altura real del hexaedro y, posteriormente, desabatiremos este punto para obtener sus proyecciones en la recta perpendicular. (ver apartado 5 del Tema 15: Distancias). Una vez obtenidas las proyecciones de la altura del hexaedro se trasladan estos segmentos a cada uno de los vértices restantes de la base.
Datos: Un plano con una de las aristas de la base del hexaedro.

Paso 1

Paso 2

Paso 3

Paso 4

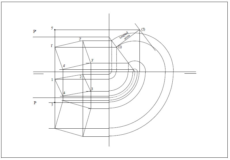
2.1.4. Hexaedro apoyado en una de sus caras en un Plano Paralelo a la L.T.
Cuando una de las caras del hexaedro se apoya sobre un Plano Paralelo a la L.T. las aristas laterales – altura - se convierten en rectas de perfil.
De no tener perfectamente definido el hexaedro deberemos abatir el plano para obtener los vértices de la base.
Para obtener las proyecciones de los vértices del techo, dibujaremos una recta perpendicular al plano desde una tercera proyección utilizando un Plano de Perfil. A continuación, trasladaremos la altura del hexaedro en la recta de perfil, ahora, en verdadera magnitud; y, posteriormente, desabatiremos este punto para obtener sus proyecciones. Sólo nos falta unir los vértices del techo y las aristas laterales.
Datos: Un plano con una de las aristas de la base de hexaedro.

Paso 1

Paso 2

Paso 3

Paso 4

2.1.5. Hexaedro apoyado en una de sus aristas sobre el P.H.
Vamos a representar el hexaedro apoyado por una de sus aristas en el P.H.; la diagonal de dos de sus caras son horizontales y cuatro de sus aristas también. Otra condición es que el hexaedro no esté basculado.

El hexaedro se observa en su proyección horizontal como un rectángulo que coincide con su sección media –ver en el apartado siguiente secciones del hexaedro-.
Indicamos a continuación diferentes vistas del hexaedro en función del ángulo que presenta la arista apoyada en el P.H. respecto a al PV:

2.2. Secciones del Hexaedro
Como norma general, para hallar la sección que produce un plano sobre un poliedro se halla la intersección del plano con cada una de las aristas. De esta manera obtenemos los vértices del polígono sección.
Las secciones fundamentales del hexaedro son: Sección Media Principal, Hexágono Regular y Triángulo Equilátero.
Sección Media Principal
Es un rectángulo que se obtiene al cortar el hexaedro por un plano que pasa por dos aristas opuestas, siendo el centro de este rectángulo el centro geométrico del hexaedro. Los lados del rectángulo corresponden a la arista y a la diagonal de una cara.

Hexágono Regular
Se obtiene al cortar el hexaedro por un plano perpendicular a la diagonal que pasa por el centro del poliedro. Los vértices del hexágono pasan por los puntos medios de seis aristas. El lado del hexágono es igual a la mitad de la longitud de la diagonal de una cara.

Triángulo Equilátero
Al igual que en el hexágono, se obtiene al cortar el hexaedro por un plano perpendicular a la diagonal que pasa por el centro del poliedro. Sin embargo, en esta ocasión, el plano pasa por tres de los vértices del hexaedro. Las aristas del triángulo corresponden a las diagonales de tres caras del hexaedro.

2.2.1. Hexaedro seccionado por un Plano Proyectante
Si el plano es proyectante, una de las proyecciones de la sección sigue estando sobre la traza del plano pero, en este caso, la otra proyección no está en verdadera magnitud, siendo necesario abatirla para obtener su verdadera forma.
A continuación dibujaremos varios casos de intersección entre un plano proyectante y un cubo o hexaedro.



Verdadera magnitud de la sección

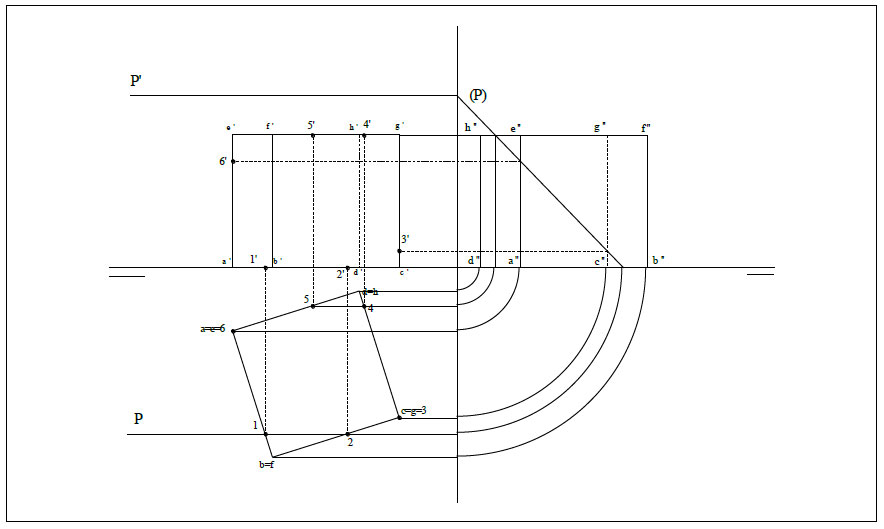
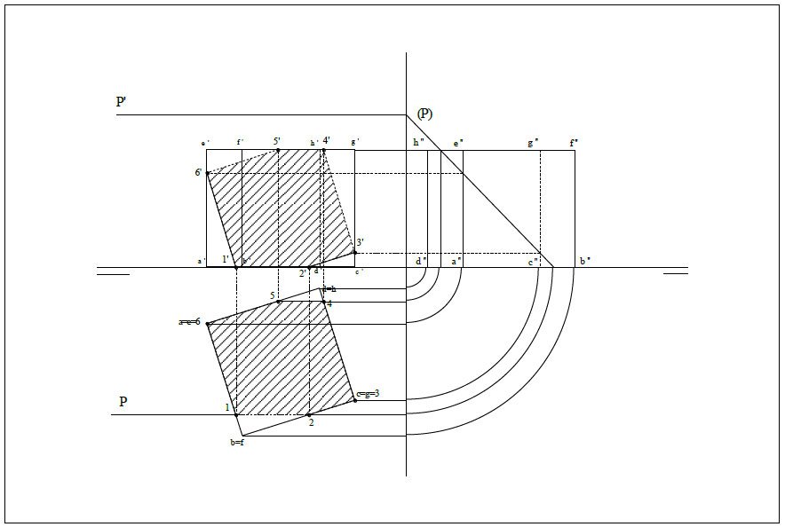
2.2.2. Hexaedro seccionado por un Plano Oblicuo
Existen diversos métodos para determinar la sección producida por un plano oblicuo: por afinidad –la base del hexaedro y la sección son figuras afines-; intersección entre una recta –arista- y el plano oblicuo; y por último, realizando un cambio de plano para determinar la sección mediante un plano proyectante.
En el tema anterior utilizamos un cambio de plano como método para obtener la sección. Si utilizamos este método en el hexaedro nos permite “olvidarnos” de si el plano corta la cara superior, o por el contrario, corta todas las aristas laterales, ya que se observa claramente todas estas circunstancias cuando se realiza el cambio de plano.
Sin embargo, para realizar este ejercicio que se nos plantea, utilizaremos el método de intersección de una recta vertical –aristas laterales- con un plano oblicuo. Al ser rectas verticales, el punto de intersección es relativamente fácil de obtener y eso nos permite una resolución rápida. Como estrategia de partida comprobaremos si el plano oblicuo corta la cara superior del hexaedro.
A continuación realizamos el ejercicio:

Paso 1: Obtención, si los hubiere, de los puntos de corte en la cara superior del hexaedro.

Paso 2: Obtención del resto de puntos en las aristas laterales, y/o, en la base del hexaedro si las hubiere.

Paso 3: La sección propiamente obtenida.

Paso 4: La verdadera magnitud de la sección. Se ha obtenido por el abatimiento de un punto de forma directa (punto 5), y por afinidad el resto de los puntos.

2.2.3. Hexaedro seccionado por un Plano Paralelo a la L.T.
Al igual que con el plano oblicuo, existen diversos métodos para determinar la sección producida por un plano paralelo a la L.T.: por afinidad –la base del hexaedro y la sección son figuras afines-; intersección entre una recta –arista- y el Plano Paralelo a la L.T.; y por último, utilizando un plano de perfil –tercera vista- y determinar la sección mediante dicho plano.
Utilizaremos este último para resolver los ejercicios.

Paso 1:

Paso 2:

Paso 3:

Paso 4: Se ha obtenido la verdadera magnitud de la sección mediante el abatimiento de las proyecciones de la sección a partir de la tercera vista.

2.3. Intersección de una Recta y el Hexaedro
El procedimiento general para hallar la intersección de una recta con un sólido consiste en contener a la recta en un plano auxiliar, hallar la sección que produce dicho plano en el sólido y, posteriormente, hallar la intersección de dicha sección con la recta. Los puntos de intersección del polígono-sección con la recta son los puntos de entrada y salida de ésta en el sólido.
En el caso de que el hexaedro se encuentre apoyado en una de sus caras, y con un poco de experiencia, es fácil realizar este ejercicio sin utilizar el procedimiento general. Simplemente, observando las proyecciones de la recta se deducen los puntos de entrada y salida en el poliedro. Para ello hay que imaginarse como sería la sección del plano auxiliar, controlando si la recta corta a la cara superior del poliedro; con la observación de la proyección horizontal de la recta controlamos la intersección de la recta con una de las caras laterales.
En este tema obtendremos los puntos de entrada y salida de manera directa. Hay que tener en cuenta que en los primeros ejercicios que el estudiante realice debe hacerlo siguiendo el procedimiento general.
Datos:

Resolución
